Products
产品展示
无人机生产、销售,产品覆盖军事、农用、勘测、救灾等多个领域。
Mini2系列-观测型非制冷红外模组

1. 产品简介
1.1. 产品描述
Mini2 系列非制冷红外模组,包含 640×512/384×288/256×192 分辨率,全系采用自研高刷新率
12um WLP 封装探测器,及自研红外 ISP “猎鹰”芯片(第二代),具有高性能、小体积、轻重
量、低功耗、低成本等特点,满足 SWaP (Size, Weight and Power/Price) 的应用要求。
全系搭配无挡算法,使用流畅无卡顿,搭载新一代红外专用图像算法,画质细腻清晰。
模组提供多种数字接口,可灵活接入各种智能处理平台。
1.2. 产品特点
● 全系高刷新率
● 标配无挡算法
● 高品质图像
● 高性价比
1.3. 应用场景
● 无人机搜寻:光电吊舱
● 便携终端:户外手持、头盔夜视
● 安/消防巡检:工业监控、周界扫描、巡检机器人、火灾预警、消防头盔
● 智能集成:辅助驾驶、智能家电
2. 产品选型
2.1. 型号编码规则
1.1. 产品描述
Mini2 系列非制冷红外模组,包含 640×512/384×288/256×192 分辨率,全系采用自研高刷新率
12um WLP 封装探测器,及自研红外 ISP “猎鹰”芯片(第二代),具有高性能、小体积、轻重
量、低功耗、低成本等特点,满足 SWaP (Size, Weight and Power/Price) 的应用要求。
全系搭配无挡算法,使用流畅无卡顿,搭载新一代红外专用图像算法,画质细腻清晰。
模组提供多种数字接口,可灵活接入各种智能处理平台。
1.2. 产品特点
● 全系高刷新率
● 标配无挡算法
● 高品质图像
● 高性价比
1.3. 应用场景
● 无人机搜寻:光电吊舱
● 便携终端:户外手持、头盔夜视
● 安/消防巡检:工业监控、周界扫描、巡检机器人、火灾预警、消防头盔
● 智能集成:辅助驾驶、智能家电
2. 产品选型
2.1. 型号编码规则
表 2-1 Mini2 模组型号编码规则
| Mini2384 |
09110X | H | NR | M | A |
| 产品名 | 镜头(焦距、镜头F 数) | 增益模式 | 机芯模式 | 镜头调焦类型 | 镜头序列号 |
| Mini2 256 Mini2 384 Mini2 640 |
00000X:无镜头 09110X: 9.1mm F1.0 18011X: 18mm F1.1 55010X: 55mm F1.0 更多镜头代号请参见“2.3 镜头参数” |
H:高画质 | NR:成像 | S:定焦 M:手调 N:无镜头 |
A:该焦距、f 数、调焦模式的第一款镜头 B:第二款镜头 |
注 1: 支持无镜头选型。
2.2. 可选型号
表 2-2 Mini2 模组可选型号列表
| 模组 | Mini2 256 | Mini2 384 | Mini2 640 | |
| 无镜头 | FOV | × | × | × |
| 选型 | Mini225600000XHNRNA | Mini238400000XHNRNA | Mini264000000XHNRNA | |
| 3.9mm F1.1 手调 | FOV | 43.3°×32.8° | 65°×50° | × |
| 选型 | Mini225603911XHNRMA | Mini238403911XHNRMA | × | |
| 6.8mm F1.1 定焦 | FOV | 26.1°×19.6° | 39.4°×29.4° | × |
| 选型 | Mini225606811XHNRSA | Mini238406811XHNRSA | × | |
| 9.1mm F1.0 手调 | FOV | 19.4°×14.6° | 29.2°×21.7° | 48.7°×38.6° |
| 选型 | Mini225609110XHNRMA | Mini238409110XHNRMA | Mini264009110XHNRMA | |
| 13mm F1.0 手调 | FOV | 13.6°×10.2° | × | × |
| 选型 | Mini225601310XHNRMA | × | × | |
| 13.5mm F1.0 手调 | FOV | 13.0°×9.7° | 19.6°×14.7° | 31.9°×25.7° |
| 选型 | Mini225613510XHNRMA | Mini238413510XHNRMA | Mini264013510XHNRMA | |
| 15mm F1.0 手调 | FOV | 11.7°×8.8° | 17.5°×13.1° | × |
| 选型 | Mini225615010XHNRMA | Mini238415010XHNRMA | × | |
| 18mm F1.1 手调 | FOV | 9.8°×7.3° | 14.7°×11.0° | 24.2°×19.5° |
| 选型 | Mini225618011XHNRMA | Mini238418011XHNRMA | Mini264018011XHNRMA | |
| 25mm F1.0 手调 | FOV | 7.0°×5.3° | 10.5°×7.9° | 17.5°×14.0° |
| 选型 | Mini225625010XHNRMA | Mini238425010XHNRMA | Mini264025010XHNRMA | |
| 35mm F1.0 手调 | FOV | 5.0°×3.8° | 7.5°×5.7° | 12.5°×10.0° |
| 选型 | Mini225635010XHNRMA | Mini238435010XHNRMA | Mini264035010XHNRMA | |
| 55mm F1.0 手调 | FOV | 3.2°×2.4° | 4.8°×3.6° | 8.0°×6.4° |
| 选型 | Mini225655010XHNRMA | Mini238455010XHNRMA | Mini264055010XHNRMA | |
注 1: 以上所有镜头均为 A 款,后续如有更新,将更新标注。
注 2: 以上标注“×”,即表示无该选型。
注 3:非推荐列表内选型组合如有需要,可联系我司进行定制。
2.3. 镜头参数
注 2: 以上标注“×”,即表示无该选型。
注 3:非推荐列表内选型组合如有需要,可联系我司进行定制。
2.3. 镜头参数
表 2-3 镜头参数
| 镜头代号 |
镜头参数 |
镜头景深 |
探测距离 |
识别距离 |
辨认距离 |
重量 (镜头+法兰) |
||
| 焦距 mm |
F 数 | IFOV | ||||||
| 3D911X | 3.9 | 1.1 | 3.07mrad | 0.3m~∞ | 0.43km | 0.1km | 0.054km | 10g±2% |
| 06812X | 6.8 | 1.2 | 1.76mrad | 0.8m~∞ | 0.76km | 0.19km | 0.09km | 12g±5% |
| 09110X | 9.1 | 1.0 | 1.3mrad | 1.73m~∞ | 1.1km | 0.25km | 0.17km | 10.5g±5% |
| 13010X | 13 | 1.0 | 0.92mrad | 3.52m~∞ | 1.4km | 0.36km | 0.18km | 13.2g±5% |
| 13510X | 13.5 | 1.0 | 0.9mrad | 3.8m~∞ | 1.5km | 0.37km | 0.19km | 15.2g±5% |
| 15010X | 15 | 1.0 | 0.8mrad | 4.7m~∞ | 1.7km | 0.42km | 0.21km | 20.48g±5% |
| 18011X | 18 | 1.1 | 0.7mrad | 6.14m~∞ | 2km | 0.5km | 0.25km | 25g±5% |
| 25010X | 25 | 1.0 | 0.48mrad | 13.02m~∞ | 2.8km | 0.7km | 0.35km | 67g±2% |
| 35010X | 35 | 1.0 | 0.34mrad | 25.52m~∞ | 3.9km | 0.97km | 0.49km | 111g±2% |
| 55010X | 55 | 1.0 | 0.22mrad | 63m~∞ | 6.1km | 1.5km | 0.76km | 191g±2% |
注 1: 以上探测距离、识别距离和辨认距离以行人(1.8×0.5×0.3m)为目标,根据约翰逊准则进行估算。
注 2: 此处重量仅指镜头重量。完整重量包括镜头、模组机身、连接排线、可选 USB 组件。
注 3: 该表不包含视场角 FOV 数据,该数据请参见本文“2.2 可选型号”。
注 4: 镜头景深指固定调焦(点胶或使用止螺固定)时可获得的最大清晰范围,非调焦范围,调焦范围典型值为 0.3m~∞。
3. 参数简介
注 2: 此处重量仅指镜头重量。完整重量包括镜头、模组机身、连接排线、可选 USB 组件。
注 3: 该表不包含视场角 FOV 数据,该数据请参见本文“2.2 可选型号”。
注 4: 镜头景深指固定调焦(点胶或使用止螺固定)时可获得的最大清晰范围,非调焦范围,调焦范围典型值为 0.3m~∞。
3. 参数简介
表 3-1 Mini2 模组产品性能参数
| 概况 | MINI2 | ||
| 探测器类型 | 氧化钒非制冷红外焦平面探测器 | ||
| 分辨率 | 256×192 | 384×288 | 640×512 |
| 探测器帧频 | 25/50Hz | 30/60Hz | 30/60Hz |
| 像元间距 | 12μm | ||
| 响应波段 | 8~14μm | ||
| 噪声等效温差 | NETD ≤40mK@25℃,F#1.0,25Hz | ||
| 热时间常数 | <12ms | ||
| 图像调节 | |||
| 非均匀性校正 | 快门校正/无挡算法校正 | ||
| 亮度/对比度调整 | 0~100 档可选 | ||
| 极性/伪彩 | 白热/黑热/支持多种伪彩 | ||
| 电子变倍 | 1.0~8.0×连续变倍(步长 0.1) | ||
| 图像镜像 | 上下/左右/对角线 | ||
| 电学参数 | |||
| 模拟视频 | PAL 制/NTSC 制 | ||
| 数字视频 | DVP/BT656/USB2.0/MIPI | ||
| 通信接口 | UART/I2C/USB2.0 | ||
| 供电输入 | 5V | ||
| Usb 输出典型功耗 | <0.35W | <0.42W | <0.7W |
| 物理特性 | |||
| 重量(不含镜头) | <7g | <8.6g | |
| 尺寸(不含镜头) | 21×21×10.3mm | ||
| 环境适应性 | |||
| 工作温度 | -40℃~+80℃ | ||
| 存储温度 | -50℃~+85℃ | ||
| 湿 度 | 5%-95%,无冷凝 | ||
| 振 动 | 6.06g,随机振动,所有轴向 | ||
| 冲 击 | 80g @ 4ms,后峰锯齿波,3 轴 6 向 | ||
注1: 以上参数均为实验室条件下测得,实际规格及测试方法以测试报告为准。
4. 模组接口及扩展组件
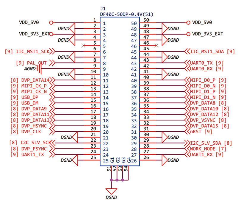
4.1. 模组接口说明
50PIN 公头连接器型号:DF40C-50DP-0.4V(51)
4. 模组接口及扩展组件
4.1. 模组接口说明
50PIN 公头连接器型号:DF40C-50DP-0.4V(51)

图 4-1 模组产品引脚图示 A

图 4-2 模组产品引脚图示 B
表 4-1 HIROSE50 芯连接器用户接口定义
| 引脚编号 | 引脚名称 | 类型 | 说明 |
| 20、33、19、 32、11、18、34、 17、35、16、36 |
DVP_CLK DVP_VSYNC DVP_HSYNC DVP_DATA15~8 |
Output | DVP 数据信号 DATA15:MSB DATA8:LSB |
| 12、13、40、39、 38、37 |
MIPI_CK_P/N MIPI_D0_P/N MIPI_D1_P/N |
Output | 2lane MIPI 数据信号 |
| 14、15 | USB_DP USB_DM |
Output | USB2.0 数据信号 |
| 8、9 | PAL_OUT AGND |
Output | 模拟输出信号 模拟输出接地 |
| 43、42 | UART0_TX UART0_RX |
Output | 通用通信串口引脚,可用于控制模组 |
| 24、27 | UART1_TX UART1_RX |
I/O | 调试用串口的收发引脚,可打印模组运行 logo也可作为普通 I/O 使用 |
| 22、29 | I2C_SLV_SCK I2C_SLV_SDA |
I/O | IIC slave 的时钟引脚 IIC slave 的数据引脚 |
| 6、45 | IIC_MST1_SCK IIC_MST1_SDA |
I/O | IIC master 的时钟引脚 IIC master 的数据引脚 |
| 23 | DVP_FSYNC | I/O | 模组的外同步输入信号,非 DVP 输出的同步信号,也可作为普通 I/O 使用 |
| 28 | WORK_MODE | Input | 置高进入更新模式,不用时硬件设计悬空即可 |
| 31 | Nrst | Input | 置低进入 reset 模式,硬件设计悬空即可 |
| 1、50 | VDD5.0 | Power | 外部电源输入 5V,模组单 5V 供电即可正常工作 |
| 3、48 | VDD3.3 | Power | 外部电源输入 3.3V,仅作为预留,实际无需供电 |
| 2、4、7、10、21、 25、26、30、41、 44、47、49 |
DGND | Power | GROUND |
| 5、46 | NC | NC | 用户不可用 |
注 1:表格中引脚编号排列顺序与引脚名称排列顺序一致。
注 2:DVP、IIC slave 电压默认 1.8V,可通过指令切换 3.3V。
注 3:UART0、UART1、IIC master 电压固定 3.3V,无法切换。
注 4:此处硬件描述仅供选型参考,具体开发时请联系技术人员获取详细硬件开发资料。
注 5:CVBS 仅支持黑白热切换。
4.2. 模组扩展组件及线材
注 2:DVP、IIC slave 电压默认 1.8V,可通过指令切换 3.3V。
注 3:UART0、UART1、IIC master 电压固定 3.3V,无法切换。
注 4:此处硬件描述仅供选型参考,具体开发时请联系技术人员获取详细硬件开发资料。
注 5:CVBS 仅支持黑白热切换。
4.2. 模组扩展组件及线材
表 4-2 扩展组件及线材说明
| 类型 | 产品图例 | 主要接口/功能 |
| 排线:50pin 转 50pin | ![]() |
50pin 全信号延长线 |
| 排线:50pin 转金手指 | ![]() |
50pin 全信号转金手指排线 |
| USB 板 | ![]() |
USB2.0 出图、模拟视频出图、串口通信、USB 供电 |
| type-c 数据线-CVBS | ![]() |
模拟视频出图、串口通信 |
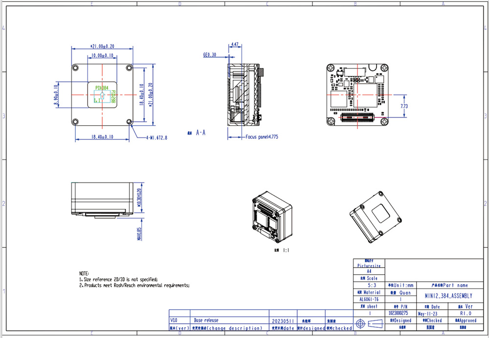
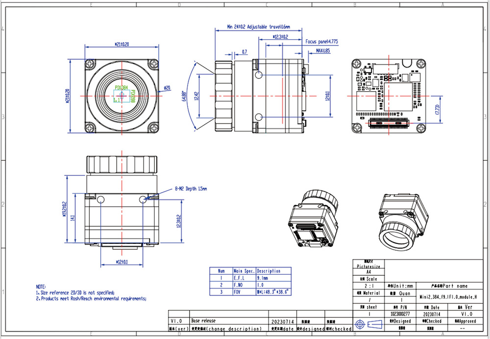
5. 结构尺寸
注:此处仅以 mini2 384 无镜头模组及 mini2 384 9.1mm 镜头模组为例,如需具体 2D 及 3D 图纸请联系我司技术人员
注:此处仅以 mini2 384 无镜头模组及 mini2 384 9.1mm 镜头模组为例,如需具体 2D 及 3D 图纸请联系我司技术人员
图 5-1 Mini2 384 无镜头模组结构图
图 5-2 Mini2 384 9.1mm 镜头模组结构图
6. 注意事项
为保护您和他人免受伤害或保护您的设备免于损坏,请阅读以下全部信息后再使用您的设备。
1. 请勿将组件直视太阳等高强度辐射源;
2. 理想使用环境温度为-40℃~80℃;
3. 请勿用湿手触摸设备和线缆;
4. 请勿弯折或损坏各连接线缆;
5. 请勿用稀释剂擦洗您的设备;
6. 请勿在未断开电源的情况下拔插其他电缆;
7. 请勿接错附带的连接线缆,以免损坏设备;
8. 请注意防止静电;
9. 请勿拆卸设备,如有故障请与本公司联系,由专业人员进行维修。
7. 质量保修说明
尊敬的用户:
感谢您选用我司产品,我们将一如既往为您提供满意的服务!
1. 本产品在正常使用情况下出现故障公司将提供 1 年保修、终身维修服务。
2. 保修范围:
正常情况下的故障,一般是指产品使用者在正常的使用状态下,无人为故意或因过失因素所导致自然损坏。
3. 以下情况不在我司可保修范围:
1) 任何未经英菲感知授权许可的改装、维修而造成的损坏。
2) 使用第三方产品软件、服务行为导致的故障或损坏。
3) 意外因素或人为行为导致产品损坏的。如进液、摔损、输入不合适电压、过度挤压、主板变形等。外观有明显的硬物损伤、裂痕、断脚、严重变形,电源线破损、断线、裸芯等现象的。
4) 产品数据失或损坏。
5) 不能有效出示产品保修凭证的(产品铭牌、SN 条码、防拆标签被撕掉或被损坏,模糊不清无法识别的)。
6) 未按照使用说明书要求安装、使用、维护、保管导致的产品故障或损坏的。
7) 已经超出保质期的。
8) 由于不可抗因素(如火灾、地震、水灾等)而造成故障或损坏的。
8. 支持服务
公司提供售前培训、售中开发支持和模组售后维修等服务,具体策略请联系公司销售人员。
为保护您和他人免受伤害或保护您的设备免于损坏,请阅读以下全部信息后再使用您的设备。
1. 请勿将组件直视太阳等高强度辐射源;
2. 理想使用环境温度为-40℃~80℃;
3. 请勿用湿手触摸设备和线缆;
4. 请勿弯折或损坏各连接线缆;
5. 请勿用稀释剂擦洗您的设备;
6. 请勿在未断开电源的情况下拔插其他电缆;
7. 请勿接错附带的连接线缆,以免损坏设备;
8. 请注意防止静电;
9. 请勿拆卸设备,如有故障请与本公司联系,由专业人员进行维修。
7. 质量保修说明
尊敬的用户:
感谢您选用我司产品,我们将一如既往为您提供满意的服务!
1. 本产品在正常使用情况下出现故障公司将提供 1 年保修、终身维修服务。
2. 保修范围:
正常情况下的故障,一般是指产品使用者在正常的使用状态下,无人为故意或因过失因素所导致自然损坏。
3. 以下情况不在我司可保修范围:
1) 任何未经英菲感知授权许可的改装、维修而造成的损坏。
2) 使用第三方产品软件、服务行为导致的故障或损坏。
3) 意外因素或人为行为导致产品损坏的。如进液、摔损、输入不合适电压、过度挤压、主板变形等。外观有明显的硬物损伤、裂痕、断脚、严重变形,电源线破损、断线、裸芯等现象的。
4) 产品数据失或损坏。
5) 不能有效出示产品保修凭证的(产品铭牌、SN 条码、防拆标签被撕掉或被损坏,模糊不清无法识别的)。
6) 未按照使用说明书要求安装、使用、维护、保管导致的产品故障或损坏的。
7) 已经超出保质期的。
8) 由于不可抗因素(如火灾、地震、水灾等)而造成故障或损坏的。
8. 支持服务
公司提供售前培训、售中开发支持和模组售后维修等服务,具体策略请联系公司销售人员。



